料架兼整平機GO與CL的異同
二合一料架兼整平機集材料架與整平機于一體,大大節省了占地空間,價格適中,性價比高,是配置沖壓生產線使用率高的設備,客戶在選購二合一料架兼整平機時,常常遇到一個問題,就是對于0.5-3.0mm厚的材料既可以使用GO系列二合一,又可使用CL系列,它們區別在哪,如何才能正確選購?晉志德機械在這里詳細給廣大客戶解答一下:
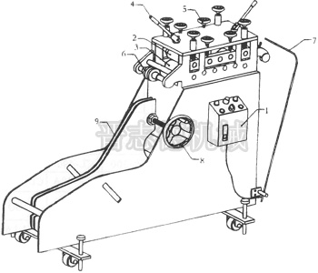
一、GO系列與CL系列料架兼整平機的結構組成:

CL機型結構: GO機型結構:
1.控制電箱 2.上滾輪 3.下滾輪 4.提升把手 1.控制電箱 2.感應桿 3.整平調整手輪 4.提升把手
5.整平調整手輪 6.擋料輪 7.出料控制感應桿 5.整平滾輪 6.擋料輪 7.料架支撐瓦板 8.剎車手輪
8.入料扶座
二、GO系列與CL系列料架兼整平機的相同點:
1、矯正能力相同:適用于0.5-3.0mm厚的材料,GO系列二合一和CL系列二合一整平部分結構是完全相同的,整平滾輪均為φ60,上3下4排列方式。
2、整平滾輪調節方式相同。
三、GO系列與CL系列料架兼整平機的區別:
1、材料內徑不同:CL系列不受材料內徑限制,GO系列采用變徑托料方式,內徑受限,標準型為¢450~¢530。
2、材料外徑不同:CL系列卷料外徑小且受限,大只能到1000mm;GO系列標準型大外徑為1200mm,并可根據客戶特殊需求增加外徑。
3、載重量不同:CL系列只能放較輕的材料,大料重為600kg;GO系列標準型200、300型大載重為1000kg;400、600型大為2000kg,同時可根據需求訂制以增加其載重量。
4、整平精度不同:GO系列整平精度能達到100mm×100mm范圍內為±0.05mm,這是CL系列遠遠所不能達到的。
5、整平速度:GO系列含變頻器,整平速度可調。CL系列不具備此功能。
6、對材料表面處理:CL系列采用兩邊夾板夾料,實際運行過程中會對材料兩邊產生劃傷。GO系列采用變徑托料裝置緊固材料,運行過程中對材料表面無任何損傷。
7、運行的穩定性:CL系列無剎車裝置,僅靠整平部分拉動控制速度,運行穩定性、平順性不高。GO系列料架兼整平機具備環抱式剎車裝置,松緊可調整,料卷轉動更平順。
8、感應方式不同:CL系列采用感應支架的方式感應,GO系列采用24V感應架感應,GO系列感應更加精準。
總的來說,CL系列二合一料架兼整平機價格實惠,主要適合材料較輕較小、對表面要求度不高的沖壓生產,它經常搭配空氣送料機使用,搭配成經濟型沖壓生產線。GO系列運用范圍更廣,適用性更強,精度更高,可完全替代CL系列使用。客戶實際選購時,請根據您自身的實際需求、預算來確定。
文章發表:http://www.hjlflooring.com/news_2he1qb.html




